| JYB - Special Glue Gear Pump for Coating Machines Main Applications |
Coating & Lamination, Film Material, Hollow Fiber
| JYB - Special for Coating Machines Glue Gear Pump Product Introduction |
Inlet Ports | 1 |
| Outlet Ports | 1 |
Displacement
| 0.3cc/r~200cc/r
|
| Speed | 10~80r/min
|
| Outlet Pressure | <20MPa |
| Operating Temperature | <220℃ |
| Sealing Type | Combination Seal |
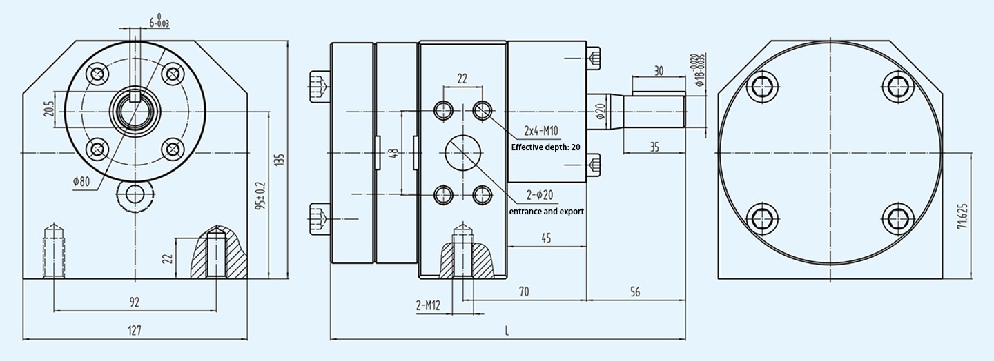
| JYB - Special for Coating Machines Glue Gear Pump Outline Drawing |


Tianjin Ruicheng Pump Industry Co., Ltd. is based on technology and quality. If the above products do not meet your requirements, you can contact Ruicheng Pump's professional technician, Mr. Liu: 18698063785. Based on your specific situation, we will customize a suitable melt pump product for you.