Main Applications of Circular Chemical Fiber Spinning Pumps / Main Uses
Polyester, Nylon Filament (PET, PA long fiber, etc.)
Models and Technical Parameters of Circular Chemical Fiber Spinning Pumps / Technical Parameter
| Inlet Ports | Outlet Ports | Displacement (cc/r) | Speed (r/min) | Outlet Pressure (MPa) | Operating Temp. (℃) | Cleaning Temp. (℃) | Max. Pressure Diff. (MPa) | Recommended Speed (cc/r) |
| 1 | 4~16 | 0.3~8.0 | 10~40 | ≤40 | 320 | 450 | 20 | 15~25
|
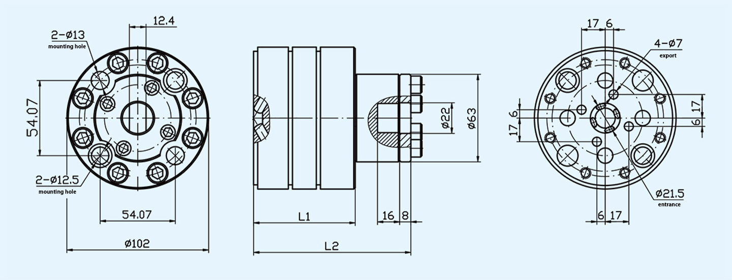
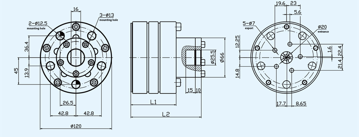
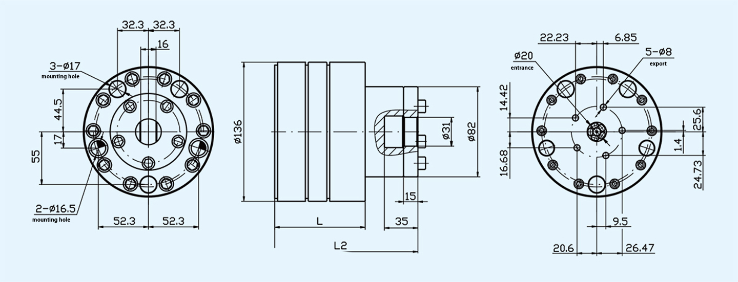
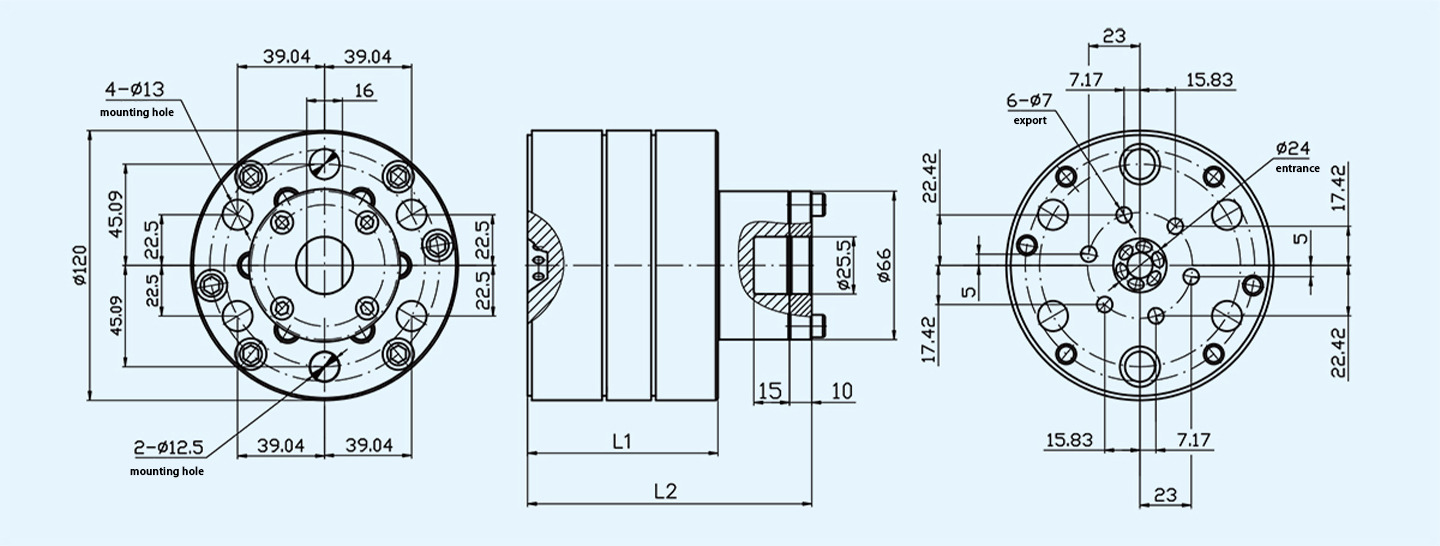
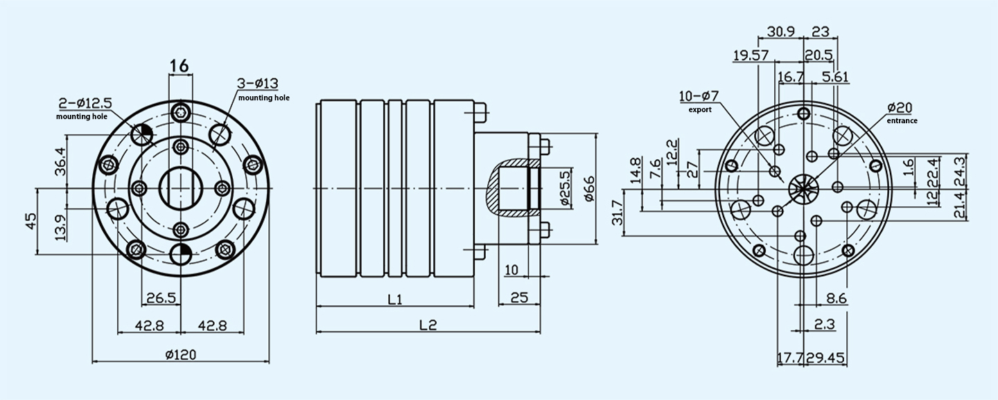
Outline Drawings of Circular Chemical Fiber Spinning Pumps / Outline drawing
1 Inlet 4 Outlets Displacement: 0.6~3.6cc/r Outline Drawing of Chemical Fiber Spinning Pump

1 Inlet 4 Outlets Displacement: 4.0~6.5cc/r Outline Drawing of Chemical Fiber Spinning Pump

1 Inlet 5 Outlets Displacement: 1.2~5.0cc/r Outline Drawing of Chemical Fiber Spinning Pump

1 Inlet 5 Outlets Displacement: 5.5~10cc/r Outline Drawing of Chemical Fiber Spinning Pump

1 Inlet 6 Outlets Displacement: 0.6~6.5cc/r Outline Drawing of Chemical Fiber Spinning Pump

1 Inlet 10 Outlets Displacement: 0.6~5.5cc/r Outline Drawing of Chemical Fiber Spinning Pump

1 Inlet 8 Outlets Displacement: 0.8~5.5cc/r Outline Drawing of Chemical Fiber Spinning Pump

1 Inlet 8 Outlets Displacement: 1.2~3.6cc/r Outline Drawing of Chemical Fiber Spinning Pump

1 Inlet 10 Outlets Displacement: 1.2~5.0cc/r Outline Drawing of Chemical Fiber Spinning Pump

Tianjin Ruicheng Pump Industry Co., Ltd. is rooted in technology and quality. If the above products do not meet your needs, you can contact Ruicheng Pump's professional technician, Mr. Liu: 18698063785. Based on your specific situation, we can customize suitable melt pump products for you.